Für die Versorgung mit ausreichend Energie haben wir uns für ein maximal variables Setup aus: Laden während der Fahrt, Solarladen während autarkem Stehen sowie Laden via Landstrom entschieden. Wir haben uns im Vorfeld genau über die benötigten Komponenten sowie Vor- und Nachteile erkundigt.
Bei der Batterietechnik haben wir ein hochwertiges Setup aus 100Ah Bleisäure Starterbatterie und einer 100Ah Lithium Eisenphosphat Batterie verbaut. Den deutlich teureren Preis der Lithiumbatterie haben wir durch Kompensation von Gewicht und Platz gerne in Kauf genommen.
|   |   Votronic VCC 1212-30 | |
Ganz unter dem Motto Safety first haben wir die Planung der Elektroinstallation durchgeführt. Wichtig ist hierbei vor allem, dass ihr euch im Vorfeld Gedanken macht welche Leitungsquerschnitte und Sicherungen verbaut werden müssen
Prinzipiell gilt dass immer die Plusleitung abgesichert wird.
Wir haben euch unseren Schaltplan hier zum Download abgelegt:
Für eine gesicherte Energieversorgung während des Campings ohne Primärenergieeinsatz haben wir insgesamt 195Wh Solarmodule im Einsatz. Da uns der Standort Deutschland für unsere Produkte wichtig ist, haben wir nach einem Anbieter aus Deutschland gesucht und sind bei der Firma Wattstunde fündig geworden.
Die Module setzen sich aus einem mobilen und flexiblen 100Wh Solarkoffer sowie einem flexiblen 95Wh Panel zusammen.
Besonders an unserem Setup ist, dass wir die ersten sind die einen Außenanschluss in den Kotflügel des Defender gesetzt haben zum Anschluss des mobilen Solarpanels. Hierbei haben wir die vorhandene Plastikabdeckung benutzt.
Unter der Abdeckung sitzt zusätzlich eine IP68 Verteilerdose, welche mit Sikaflex direkt auf das Radgehäuse geklebt ist. Hier haben wir beide Panels in Reihe miteinander geschaltet, mit Hilfe von Wago Klemmen ist dies schnell erledigt.
|   |   |   | 
So mancher Verbraucher möchte dann doch mit Wechselstrom und 230V versorgt werden um zu erwachen oder aber geladen zu werden. Um den Energiehunger von Laptop, Drohne und Küchenzubehör zu decken ist ein Ective 2500W Sinuskonverter verbaut.
Unser Konverter bietet neben einer sogenannten Netzvorrangschaltung, also Betrieb des Konverter über Landstrom anstatt Wandlung aus der Batterie, auch ein Ladeprogramm für die Batterie.
Das Ladeprogramm für die Batterie nehmen wir dankend an und können damit eine einfache Pflege der Bleibatterie im Winter betreiben.
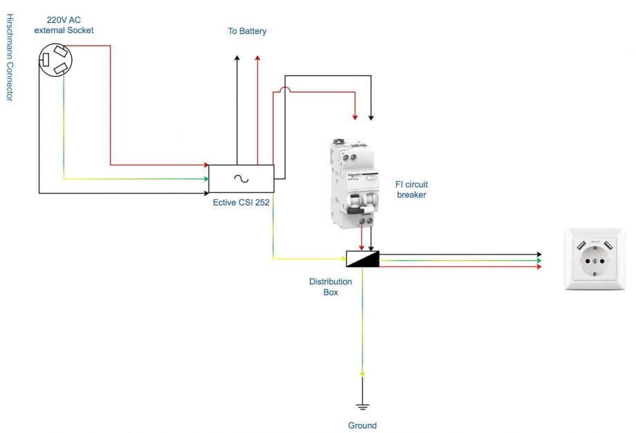
Für den Anschluss von Landstrom haben wir anstatt einer platzraubenden CEE Steckdose eine wasserdichte Steckverbindung von Hirschmann verbaut.
|   |   |   | 
Der Anschluss des FI ist denkbar einfach, ihr schließt einfach die Kabel die von den Steckdosen kommen auf der einen Seite an und den Stecker welcher in den Spannungswandler geht auf der gegenüberliegenden. Ob ihr alles richtig gemacht habt könnt ihr testen indem ihr das System anschaltet und den FI-Testschalter betätigt, löst dieser aus habt ihr alles erfolgreich angeschlossen.
Den Anschlussplan könnt ihr euch auch hier downloaden.
Wir würden auf jeden Fall wieder eine LiFePo4 verbauen wenn wir das Geld dazu haben. Die Schaltung und Überwachung per Bluetooth hat sich absolut bewährt. Wir machen uns um eine leere Batterie wesentlich weniger Sorgen als mit einer Bleibatterie. Das Aufladen der Batterie erfolgt ebenfalls schneller als bei einer vergleichbaren AGM/Solar Batterie.
Wir sind so vorgegangen, dass wir unsere Geräte aufgelistet haben die wir auf jeden Fall mit auf die Reise nehmen werden. In einer Übersicht haben wir dann schnell die einzelnen Wattzahlen ermittelt und basierend auf dem größten Verbraucher ausgewählt. Als Faustregel haben wir die max. Wattzahl mit einem Sicherheitsfaktor 1,3 belegt, somit kann der Inverter 30% mehr Dauerleistung als wir benötigen.
Wie der Titel eigentlich schon beschreibt erzeugt dieser Inverter eine echte Sinuskurve, wie diese aus der Steckdose zu Hause kommt. Viele Geräte wie z.B. Laptops, Küchengeräten etc. benötigen zur einwandfreien Funktion eine solche. Falls ihr aber nur das Handy oder aber Kamerabatterie laden möchtet reicht auch ein günstiger 12V Inverter mit Rechtecksignal oder aber USB Ladegeräte. Wir sind voll zufrieden mit unserem Sinus Inverter.
Prinzipiell spricht nichts gegen die Verlegung von 230V Stromkabeln im Camper, aber ihr müsst euch zu eurer eigenen Sicherheit an die Richtlinien gemäß VDE DIN 0100-721 halten.Wir haben immer Camper Wellrohr verlegt um ein Scheuern der Kabel an Karosserie oder Möbeln zu verhindern. Außerdem sind 12V und 230V Leitungen strickt voneinander getrennt in Wellrohren verlegt.
Die Auswahl des richtigen Kabels ist ebenfalls in der DIN beschrieben. Wir haben H07 RN-F Kabel mit 1,5mm2 verlegt. Wichtig ist dass es sich um ein flexibles Kabel mit einer ausreichend dicken Ummantelung handelt.
Wir haben den Ort des höheren Risiko abgesichert, also die Steckdosen im Fahrzeug. Auf unserem FI Schaltplan ist das auch zu sehen. Im Normalfall hat jede Landstromsteckdose einen eigenen FI.
Falls ihr weitere Fragen habt dann kontaktiert uns gerne.